
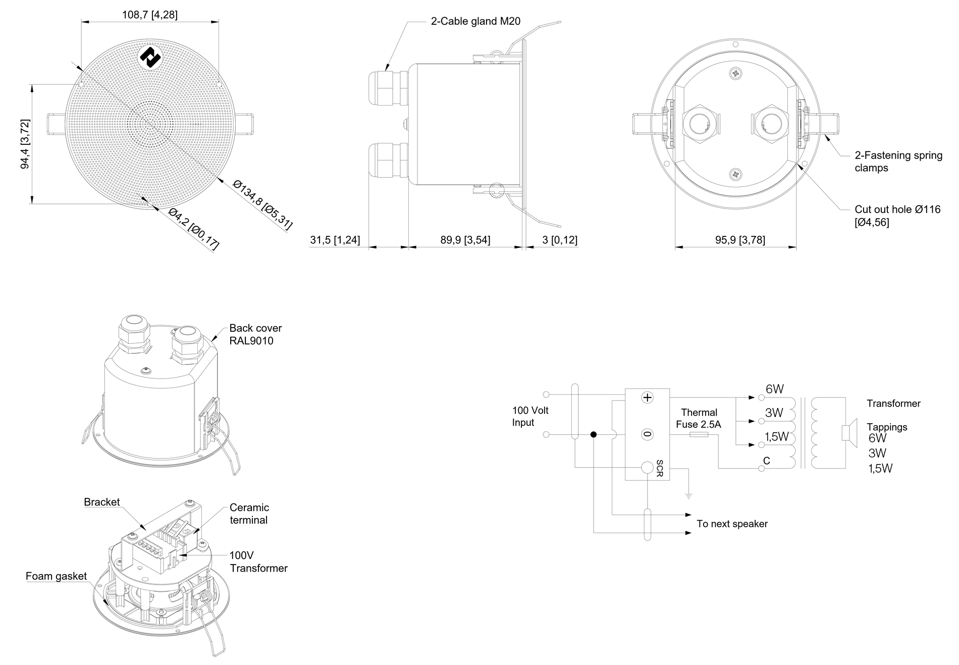
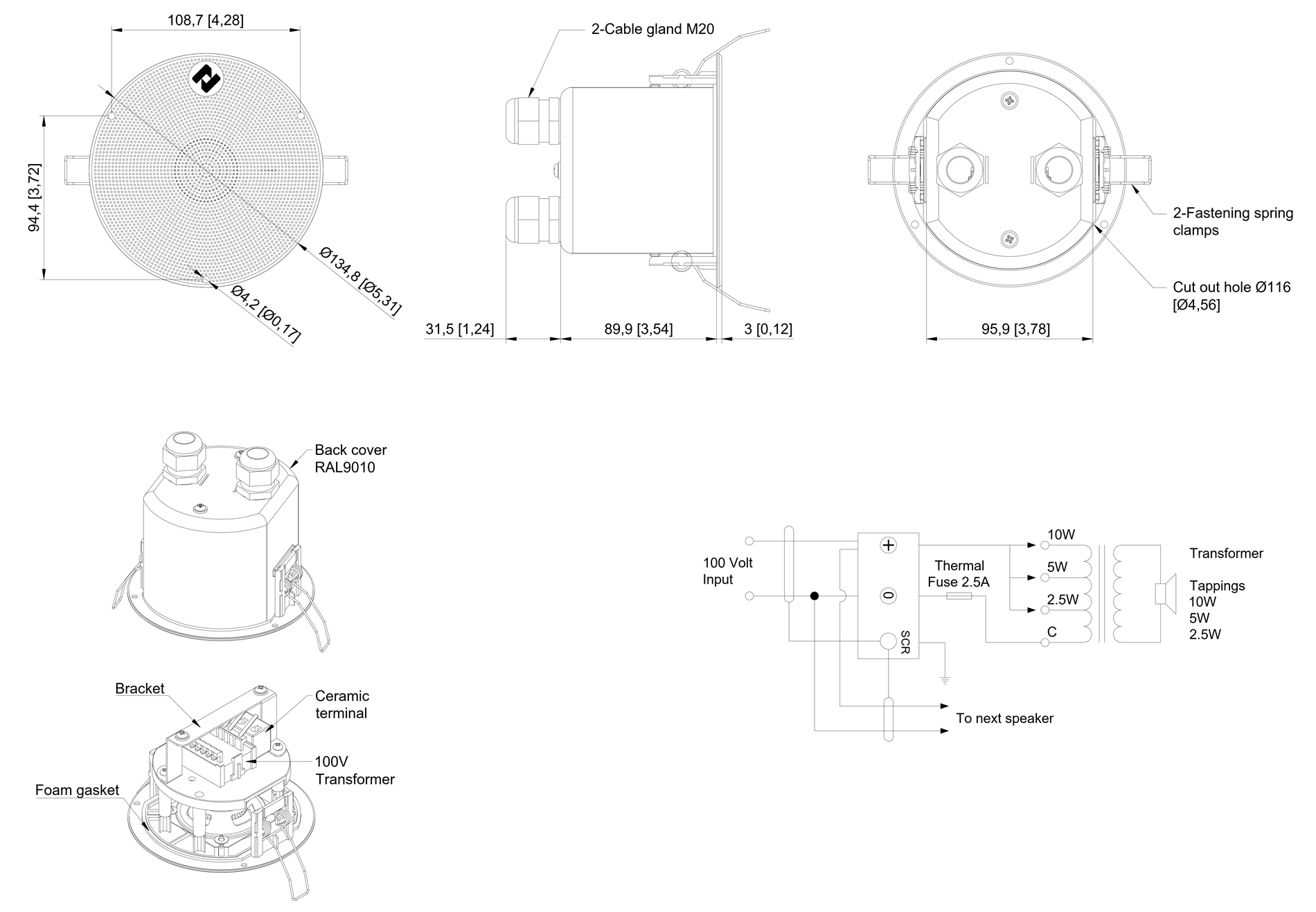
CLWT-135T-MED
Item Number: 2131000146
5'' Ceiling Speaker 100V, 6W, IP55, for humid areas, fire dome, fused
- MED approved
- Ceiling loudspeaker intended for bathrooms and humid rooms
- Watertight back box ensuring IP55 rating from all sides
- Double cable glands for loop-in / loop-out connection
- Thermal fuse
- Ceramic terminals
- Metal fire dome
