Skip to main content

P-0043

Item Number: 4000013172

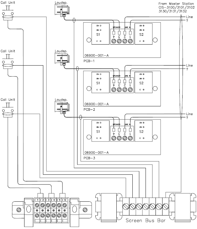
Ex Interface for 3 Ex loudspeakers and call buttons

  • Ex Interface for 3 Substations (Call line + loudspeaker)
  • Low voltage directive 2006/95/EC
  • CE marking directive 93/68/EEC
Marine 40x40 ico Onboard communication

The P-0043 is a substation interface unit for 3 Ex loudspeakers and call buttons.

The P-0043, Ex Interface for 3 Ex loudspeakers and call buttons is inteded for installation in SAFE AREA. Ex loudspeaker and Call button are Ex approved and intended for installation in HAZARDOUS AREA

Mechanical
Dimensions (WxHxD) 200 x 150 x 77 mm
Weight 1.2 kg
Color RAL 7035
Material ABS
Mounting Wall
Fixing 4 x M3 bolts
Access Front
Cable Entry Bottom/Top
Gland Type 6 x M20, 1 x M25
Electrical
Power Supply from Master station
Termination Screw terminals
Environmental
Temperature -15°C to +55°C
Ingress Protection Rating IP-44

Date Name Category Size Document
4000013172 P-0043 CAD Drawing CAD 2D 895.44 KB Login to download
MD-SDoC-4000013172-IHM-8003-63565-149117.xlsx Declaration 53.51 KB Login to download
4000013172 P-0043 CAD Drawing.zip CAD 2D 895.44 KB Login to download
CIS 31xx DoC 19.03.2025_1.pdf Declaration 631 KB Download
External Connection_P-0043_Interface-for-Ex-substation-3-line System Drawing 63.82 KB Login to download