Skip to main content
Top navigation
Safety and Security
Maritime and Energy Solutions
Transportation Solutions
Enter the terms you wish to search for.
Search
Where to buy
Support
Login/Sign up
Main navigation - Mega Menu
About
Solutions
Products
Services
News & Media
Who we are
What we do
Why Zenitel
Careers
Vision & Mission
History
Zenitel Offices
Learning Community
Customer Stories
Get in Touch
Safety & Security
Maritime & Energy Solutions
Transportation Solutions
Customer Stories
Get in Touch
Audio Excellence
Seamless Integrations
Sustainability
Cybersecurity
Customer Stories
Get in Touch
Working at Zenitel
Open Positions
Meet our people
Customer Stories
Get in Touch
Safety & Security
Maritime & Energy Solutions
Transportation Solutions
Corporate & Public
Education
Healthcare
Industrial
Prisons
Smart City
Transportation
Hospitality
Retail & Logistics
Learning Community
Customer Stories
Get in Touch
Cruise & Luxury Vessels
Liquid Cargo Vessels
Dry Cargo Vessels
Naval Vessels
Fishing Vessels
Workboats & Offshore Vessels
Ferry & Ro-Pax Vessels
Offshore Wind
Floaters
Offshore Platforms
Plants, Terminals & Pipelines
Retrofit Solutions
Customer Stories
Get in Touch
Rail Infrastructure
Rolling stock
Highways & Road Tunnels
Airports
Customer Stories
Transportation Solutions case studies
Get in Touch
Safety & Security
Maritime & Energy Solutions
Transportation Solutions
Intercom Devices
Public Address & Voice Alarm
Solution Platforms
IP Speakers
Software Integrations
Learning Community
Customer Stories
Get in Touch
Discontinued & spare parts
Public Address & General Alarm
Intercom & PABX
Wireless Communication
Info & Entertainment
CCTV Systems
LAN & Networking
Navigation Aid
Common Equipment
Customer Stories
Get in Touch
Discontinued & spare parts
Intercom devices
Public Address & Voice Alarm systems
Solution Platforms
IP Speakers
Control systems
Customer Stories
Transportation Solutions case studies
Get in Touch
Discontinued & spare parts
Safety & Security
Maritime & Energy Solutions
Transportation Solutions
Learning Community
Partner Programs
A&E Specifications
Learning Community
Customer Stories
Get in Touch
Project Managment
System Integration
Engineering
Factory Acceptance Test
Service & Commissioning
Training
Customer Stories
Get in Touch
System Specification
System Design
System Delivery
3rd Line Maintenance
Site Commisioning
Ongoing Support
Customer Stories
Transportation Solutions case studies
Get in Touch
News room
Feature Pages
Events
Latest News
Blogs
Press Release
Learning Community
Customer Stories
Get in Touch
NEW Unified Critical Communication Platform
Zenitel - The Voice of London
Door Entry Intercom Solutions
Public Address and Voice Alarm Solutions
Vandal Resistant Stations
Onvif Conformant Products
IP Speakers
Onshore Solutions
Custom Intercom Stations
Customer Stories
Get in Touch
Exhibitions
Training
Customer Stories
Get in Touch
Enter the terms you wish to search for.
Search
Top navigation
Safety and Security
Maritime and Energy Solutions
Transportation Solutions
Go back
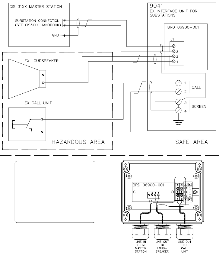
P-9041
Item Number:
4000017577
View DataSheet
Interface for Ex Substation