Skip to main content

P-9004

Item Number: 4000017573

Call Unit

  • 2-way loudspeaker connection
  • CALL button
  • Complies with IEC 60945 Standard for Marine Equipment

     

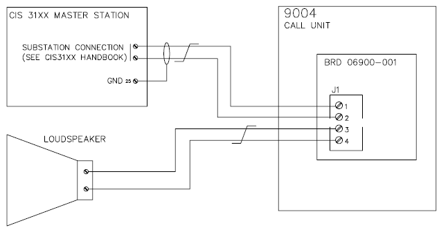
The P-9004 is a weatherproof Command Intercom System (Talk-Back) Call Unit substation for industrial and outdoor environments. It interfaces a loudspeaker for 2-way communication.

The unit is equipped with a CALL button for attention request.

.

Mechanical
Dimensions (WxHxD) 130x124x52 mm (depth 65 mm including call button)
Weight 0.3 kg
Color RAL 9005/9006
Material PC / ABS blend
Mounting Wall
Fixing 4 x M3 bolts
Access Front
Cable Entry Bottom/Top
Gland Type 2 x M20
Electrical
Power Supply From central/line supply
Termination Screw terminals ≤ 1.5 mm2
Compass Safe Distance > 5 m
Environmental
Temperature -25°C to +55°C (Storage: -25°C to +70°C)
Humidity +93% (at +40°C)
Ingress Protection Rating IP-56

 

VML 1520

VML-1520

Horn Loudspeaker 15W, 20 OHM Waterproof

Item Number: 3006100088

P-9003

Substation for Headset

Item Number: 4000017572

P-9009

Call Unit with Socket

Item Number: 4000017574

P-9016

Substation for Speaker

Item Number: 4000017576

Date Name Category Size Document
MD-SDoC-4000017573-IHM-8003-70767-78894 Declaration 53.8 KB Login to download
4000017573 P-9004 CAD Drawing.zip CAD 2D 371.14 KB Login to download
CIS 31xx DoC 19.03.2025_1.pdf Declaration 631 KB Download
DNV-GL Type Approval Certificate CIS_TAA000021X-revision1 Certificate 273.17 KB Download
17573_EC_9004_Call-Unit-IP56 System Drawing 39.21 KB Login to download