Skip to main content

P-9016

Item Number: 4000017576

Substation for Speaker

  • Built-in call relay, maximum 8A
  • Call lamp
  • Plug for connection of headset or handheld microphone
  • CALL button
  • Selector switch for headset or loudspeaker operation
  • Complies with IEC 60945 Standard for Marine Equipment

     

Marine 40x40 ico Onboard communication

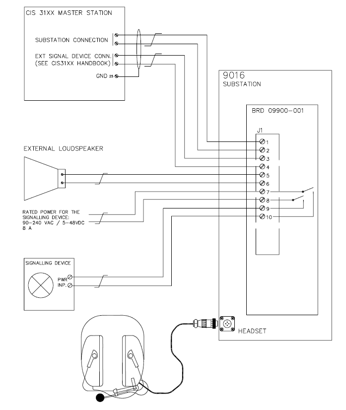
The P-9016 is a weatherproof command intercom system (talk-back) substation for industrial and noisy environments such as engine, steering gear and thruster rooms. It interfaces an external loudspeaker, external call signal device (flash/rotating light/hooter/siren) and a pluggable hearing protective headset.

The unit is equipped with a loudspeaker/headset selector toggle switch, a CALL button for attention request and a call lamp for visual call indication.

Mechanical
Dimensions (WxHxD) 130x124x52 mm (depth 74 mm including toggle switch)
Weight 0.3 kg
Color RAL 9005/9006
Material PC/ABS blend, ABS
Mounting Wall
Fixing 4 x M3 bolts
Access Front
Cable Entry Bottom/Top
Gland Type 2 x M20
Electrical
Power Supply (24 VDC) From central/line supply
Swiching current 8A
Termination Screw terminals ≤ 1.5 mm2
Compass Safe Distance > 5 m
Environmental
Temperature -25°C to +55°C (Storage: -25°C to +70°C)
Humidity +93% (at +40°C)
Ingress Protection Rating IP-44

 

 

P-0005

Hearing-Protective Headset for substations

Item Number: 4000011249

VML 1520

VML-1520

Horn Loudspeaker 15W, 20 OHM Waterproof

Item Number: 3006100088

P-9003

Substation for Headset

Item Number: 4000017572

P-9004

Call Unit

Item Number: 4000017573

P-9009

Call Unit with Socket

Item Number: 4000017574

Date Name Category Size Document
MD-SDoC-4000017576-IHM-8003-70767-90433 Declaration 53.83 KB Login to download
4000017576 P-9016 CAD Drawing.zip CAD 2D 466.36 KB Login to download
CIS 31xx DoC 19.03.2025_1.pdf Declaration 631 KB Download
DNV-GL Type Approval Certificate CIS_TAA000021X-revision1 Certificate 273.17 KB Download